Home
Hydraulic Cartridges
Hydraulic pack
Hydraulic spare parts
Contact us
×
Make Enquiry - PART NUMBER
CB11A30CL
Enter Email
Select Optional Body
Nil
Aluminium
FURTHER COMMENTS
Enter text shown below
Make Enquiry
COUNTERBALANCE VALVE - REPLACES SUN CBCG-CCN
PART NO.
CAVITY
CRACKING PRESSURE
PILOT RATIO
ADJUSTMENT RANGE
CB11A30CL
M20x1.5
0.3 BAR
10:1
140-350 BAR
Technical Data
Max. Pressure
350 bar
Max. Flow
60 l/min
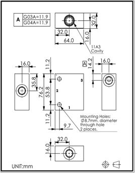
Cavity-Tooling
11A-3
Installation torque
40-50 Nm
Weight
0.16 Kg
OPTIONAL BODY
PART NO.
MATERIAL
MAX PRESSURE
PORT SIZE
ML-11A3-G03-A01
Aluminium
210 BAR
3/8" BSPP
Technical Data
Max. Pressure
210 bar
Cavity-Tooling
11A-3
Aluminium
0.35 Kg