Home
Hydraulic Cartridges
Hydraulic pack
Hydraulic spare parts
Contact us
×
Make Enquiry -
LED HIRSHMAN PLUGS AND RECTIFIERS
Enter Email
Part Number
Please Select
ED-30-D-10-D
425-HIRSHMAN
5CB1A000L001
ED-30-R-01-A CLEAR
ED-30-R-01-A BLACK
FURTHER COMMENTS
Make Enquiry
STANDARD LED/HIRSHMAN CONNECTOR
PART NO
VOLTAGE
COLOUR
ED-30-D-10-D
DC
CLEAR
425-HIRSHMAN
DC
BLACK
5CB1A000L001
AC
CLEAR
TECHNICAL DATA
Number of poles
2+Earth
Nominal cureent capacity
1.5A
Contact resistance
4mΩ
Max. wire section area
1.5mm²
Cable gland thread Pg 9
DIN 40430
Cable gland thread Pg 9
DIN 40430
Tightening torque
3-4Nm
Cable diameter
6-8mm
Electronic insulation Class C
DIN VED 0110
Protection Class IP65
6-8mm
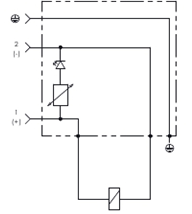
RECTIFIER CONNECTOR
PART NO
VOLTAGE
INLET
RECTIFIED
COLOUR
ED-30-R-01-A CLEAR
220RAC
220VAC
196VDC
CLEAR
ED-30-R-01-A BLACK
220RAC
220VAC
196VDC
BLACK
TECHNICAL DATA
Number of poles
2+Earth
Nominal cureent capacity
1.5A
Contact resistance
4mΩ
Max. wire section area
1.5mm²
Cable gland thread Pg 9
DIN 40430
Cable gland thread Pg 9
DIN 40430
Tightening torque
3-4Nm
Cable diameter
6-8mm
Electronic insulation Class C
DIN VED 0110
Protection Class IP65
6-8mm